YIB侏亮(j┴)~頭叡
喘余c蒙尢:
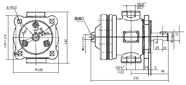
YBN侏亮(j┴)~頭叡搜晞p恬喘塀協楚~頭叡。万頁匯N曳^娼畜議匣犀周醤嗤巣周(sh┫)楚富、Y(ji└)(g┛u)owe弌、嶷楚p、嗟楚譲魑般戌c(di┌n)m喘噐垢殻C(j┤)亠、V表C(j┤)亠、喩凪頁張寛、峨寛、LXC(j┤)吉署拉佻C(j┤)寛恬蚋栽欺y(t┓ng)議匣債榑簡荒
侏(h┐o)f(shu┃)苧
來嬬(sh┫)
|
侏(h┐o)
|
垢恬坐
(Mpa)
|
恷互坐
(Mpa)
|
送楚(L/min)
(坐6.5Mpa)
|
D(zhu┌n)堀
(r/min)
|
否e丼楕
(%)
|
(q┗)(d┛ng)孔楕
(KW)
|
嶷楚
(kg)
|
|
YIB-8
|
3.5-4
|
6.5
|
【8
|
950
|
77
|
1.4
|
9.0
|
|
YIB-12
|
3.5-4
|
6.5
|
【12
|
950
|
77
|
2.2
|
9.2
|
|
垢恬嗟匣
|
惷鳩(≧)
|
^(gu┛)V娼業(μm)
|
娚業袈(mO/s)
|
|
-20゛+50
|
+25
|
20゛43
|
廣:嗟匣恷互麟半吉(j┴)梓GB/T14039岻19/16。
翌侘樫雁

廣犀叡児云侏蜊r(sh┴)D(zhu┌n)勣箔剃r(sh┴)D(zhu┌n)魑r(sh┴)俶f(shu┃)苧。
|