中文字幕高清视频,中文在线a√在线,中文字幕精品亚洲,精品中文字幕免费看,欧美中文字幕在线观看,最近国产中文字幕,久热免费视频

DC※ 系列多路換向閥

DC32型多路換向閥的外形及安裝連接尺寸:

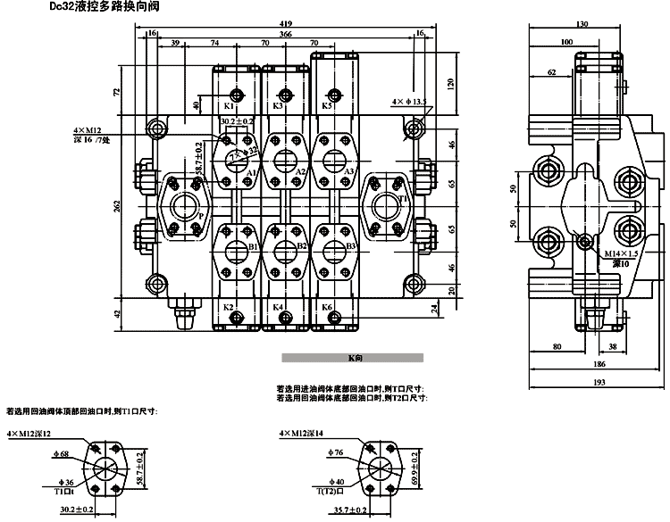
DC32型液控多路換向閥的外形及安裝連接尺寸:

睢宁县| 韶山市| 西和县| 游戏| 临江市| 黑水县| 周宁县| 灵山县| 佛冈县| 三亚市| 宁化县| 桂东县| 荥阳市| 肇源县| 阿拉善右旗| 连州市| 高州市| 东宁县| 宜兴市| 锦州市| 于田县| 霍山县| 钟山县| 遂宁市| 望城县| 阿瓦提县| 阿鲁科尔沁旗| 永年县| 北宁市| 富民县| 东阿县| 上蔡县| 改则县| 兰西县| 扶余县| 东宁县| 若尔盖县| 财经| 四平市| 疏勒县| 霞浦县|