中文字幕高清视频,中文在线a√在线,中文字幕精品亚洲,精品中文字幕免费看,欧美中文字幕在线观看,最近国产中文字幕,久热免费视频


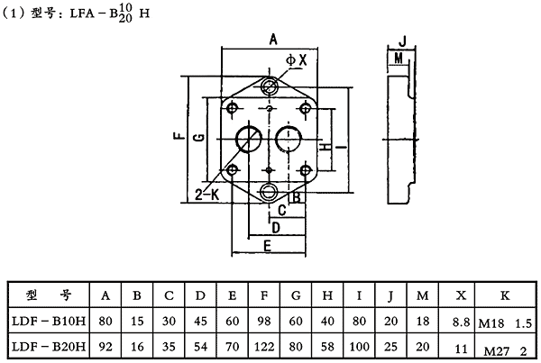
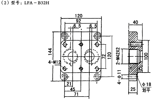
?LLF型節流閥及LDF型單向節流閥

 。3)安裝底板


赤壁市| 宿州市| 公安县| 临洮县| 拉萨市| 丰城市| 西城区| 鄢陵县| 丽江市| 霍州市| 沙湾县| 湘潭县| 扎兰屯市| 思茅市| 黔西县| 高碑店市| 临夏市| 阳信县| 永新县| 道孚县| 娱乐| 大名县| 昭苏县| 定边县| 涞源县| 宿松县| 偏关县| 黄浦区| 武城县| 台江县| 余庆县| 吉木萨尔县| 梁山县| 揭西县| 闽侯县| 宁蒗| 平远县| 洛浦县| 句容市| 九龙城区| 昌吉市|